| Sign In | Join Free | My tjskl.org.cn |
|
Brand Name : FeiHang
Model Number : CSBF
Certification : Factory certificate,Pressure test report
Place of Origin : Yangzhou, Jiangsu, China
MOQ : 1pcs
Price : USD800-1000/PCS
Payment Terms : L/C, D/A, D/P, T/T
Supply Ability : 100 pcs day
Delivery Time : 1-2days
Packaging Details : Export Wooden Box
DESIGN STANDARDS : CB
MODEL : CSBF
MATERIAL : CAST IRON
NOMINAL DIAMETER : 3/4"-DN20
NOMINAL PRESSURE : 25MPA
FLOW : 120L/MIN
MEDIAN FUNCTION : M,H,O,P-TYPE
CONTROL METHOD : MANUAL,REMOTE
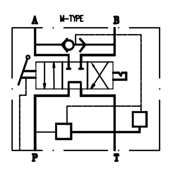
PC CONTROL VALVES FOR SERIES HYDRAULIC CONTROL VALVE BLOCK MODEL-CSBF-20
| Model | Nominal diameter (mm) | Flow (L/min) | Pressure (MPA) | Safety valve pressure regulation (MPA) | Handle control force(N) | Mid-position spool valve function |
| CSBF-G20 | 20 | 120 | 25 |
5~25 |
≤40 | M-type O-type Y-type H-type K-type P-type |
The principle of pressure compensation mechanism for marine manual proportional flow composite valve CSBF-G20:

The oil in the motor pipeline flows from the inlet port (P port) of the manual proportional valve to the load (A or B port) through the throttle port of the main valve core. At the same time, the lower part of the diverter valve core also receives a force that pushes the valve core upwards. The magnitude of this force is P1A (A is the cross-sectional area of the valve core). The pressure P1 decreases to P2 due to passing through the throttle port, and P2 acts on the upper part of the valve core to push the valve core downwards, In addition, the action of the spring causes the valve core to receive a downward pushing force, so the downward pushing force is P2A+F (F is the spring force). If P2A+F>P1A is established, the valve core is pushed downwards, causing the throttle surface of the diverter valve to be closed, and all incoming flow is directed to the load through the throttle port of the main valve core. When the flow into the P port increases, P2A+F is less than P1A. At this time, the valve core moves upwards and the throttle surface opens, causing a large amount of flow to flow out of the O port, reducing the flow through the throttle port until F/A=P1 P2, and the valve core is in a stable state. If the load pressure increases, and F/A>P1 P2, the valve core is pushed downwards, reducing the opening of the flow surface, and P1 also increases accordingly. Until F/A=P1 P2, the valve core is in a stable state again. If the load pressure decreases, and F/A is less than P1 P2, the valve core is pushed upwards, increasing the opening of the throttle surface, and P1 decreases accordingly until F/A=P1 P2, and the valve core is in a stable state again. Therefore, regardless of how the inlet and outlet oil pressure changes, the pressure difference P1-P2 remains constant, which means that the flow rate when passing through the throttle is also constant. Therefore, the flow rate is determined by its flow area and is not related to the change in load pressure.
The direction switching and throttling principle of the main valve core of the CSBF-G20 manual proportional flow direction composite valve (taking the M-type as an example):

When the handle is in the middle position, each oil port (A, B ports) is closed, and the oil discharged from the oil pump returns from port P to port O, causing the oil motor to stop.
The handle is on the right side, and the main valve core moves upwards. The oil flowing in from port P flows through the throttle port to port A, and then flows out from port A to drive the oil motor to rotate. The return oil of the oil motor returns from port B to port O. At this time, the handle is used to adjust the opening of the throttle port by adjusting the tilt angle of the main valve core to different positions, in order to achieve the speed regulation of the oil motor. On the contrary, when the handle is on the left and the oil flows from P-B to A-O, the results are completely similar, but the oil motor turns in the opposite direction.
The overflow principle of the manual proportional flow composite valve CSBF-G20 for the anchor machine (safety valve part):

Like the principle of a general overflow valve, when the oil motor is running and the load pressure is low, the cone valve is in a closed state due to the action of spring force, and the oil motor operates normally. When the load pressure increases and exceeds the spring force pressed on the cone valve, the cone valve opens, and high-pressure oil flows into port O from port P to protect the oil motor.
Use and maintenance of CSBF-G20 manual proportional flow composite valve:

When we need to replace this CSBF manual proportional valve, we encounter that the product identification nameplate has corroded. We can accurately and quickly determine through the following schematic diagram:
CHINA JIANGSU YANGZHOU FEIHANG SHIP ACCESSORIES FACTORY
COMPETITIVE ADVANTAGE
1. Factory direct sale, competitive price.
2. Customized Service: We can customize, to customers drawings for processing. We are flexible and capable Supplier.
3. Genuine Product with Excellent Quality: Our Product are strictly complied with China Compulsory Certification. 100% guarantee test before delivery.
4. After Sales Service and Technical Assistance: 24 hours technical support by email. Our professional team is always here willing to be your technical consultant.
5. Delivery Time: after receiving the payment within 24-72 hours to Timely arrange raw materials, processing, production, and timely delivery.
|
|
CONTROL VALVE-WINCH CONTROL BLOCK MODEL CSBF-G20 HYDRAULICS CONTROL VALVES Images |